A Daily History of Holes, Dots, Lines, Science, History, Math, Physics, Art, the Unintentional Absurd, Architecture, Maps, Data Visualization, Blank and Missing Things, and so on. |1.6 million words, 7500 images, 4.9 million hits| Press & appearances in The Times, Le Figaro, Mensa, The Economist, The Guardian, Discovery News, Slate, Le Monde, Sci American Blogs, Le Point, and many other places... 5000+ total posts since 2008.. Contact johnfptak at gmail dot com
George Boehm wrote a fine, semi-offhanded paper on Claude Shannon's inventiveness: "Gypsy, Model VI, Claude Shannon, Nimwit, and the Mouse", in Computers and Automation, volume 2, number 2, March 1953. (The article is found on pp 1-4 in the issue of 37pp.)
Shannon (1916-2001) is widely seen as being the "father of information theory" though it might be more accurate to refer to him as the "father of the information age"--either title will do just fine.
Shannon basically established the foundation of the digital circuits in his 1937 A Symbolic Analysis of Relay and Switching Circuits, which was also one of those great dreams-come-true parts of graduate school, when your masters' thesis is actually something that means something, and with Shannon's paper that "something" was exponential. It is the stuff of dreams but Shannon actually did it and did so with this paper at the age of 21. In the midst of a brilliant young career he also produced (in 1948, 11 years later) another great landmark effort, A Mathematical Theory of Communication, which is the pioneering paper on information theory and which was so brilliantly composed that its framework is still in place after 67 years. A year later came Communication Theory of Secrecy Systems, a work which established cryptography as a science more than a system. And on and on.
I like that Shannon was born in Petosky, Michigan, up there on the choppy Little Traverse, and all of those big-pebble Petosky fossil/stones.
This is a very insider-y semi-offhand but solid review of some of the gadgetry and robotic work of Claude Shannon:
"Characteristics of the Small-Scale Computers" looked innocent enough, 12" tall and one folded piece of paper, and published in 1956. The authors--John W. Carr III and Alan J. Perlis--were heavy hitters, and so I really wasn't very surprised to see what they had done "inside", though I was impressed and happy to see the data. Displayed on the 12x16" sheet of paper are 15 data points on 14 computers, many of them classic/famous: the 650 IBM, UNIVAC, Elecom, Alawac.
(Remember that when you're looking at purchase price and monthly rental amounts that the 1956 dollar is equal to about $8.70 in 2015 dollars, so that $3275/month for the 650 would be about $30k. The $136k for the Datatron is about a million today.)
I bumped into this short notice in the magazine Illustrated World for May 1916 and at first didn't recognize the instrument. It turns out that it is a skeleton drawing of the Ross "Precision Computer", an 8", multiple circular spiral (with 25 windings) circular slide rule. It might have had the same effectiveness as a 90' slide, though I read something elsewhere that it was more like 60'. In any event, it was made of metal, and glass, and celluloid, and was an effective and elegant instrument.
[Illustrated World, May, 1916, page 388. Apologies for the fuzziness--the book was too thick and too old to force it flat on the scanner.]
For more information as well as a photo of the instrument, see the Smithsonian Institution entry here: http://americanhistory.si.edu/collections/search/object/nmah_690756
Bibliography of his works by M. H. A. Newman from Biographical Memoirs of Fellows of the Royal Society, volume 1, November 1955, pp 253-263 (with the bibliography of page 263).
(I'm posting this simply because I thought some readers here could use it.)
This item is offered for sale at our blog bookstore, in "recent additions".
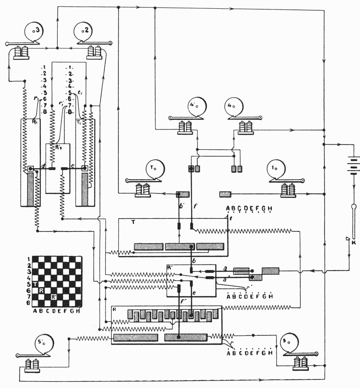
Leonardo Torres y Quevedo1 (1852-1936) was a superior engineer, pioneer of remote control, a "prolific and successful inventor"2, and creator of the what is believed to be the first chess automaton3--in effect, the first human-machine game where the machine answered back. (There are earlier examples of chess machines, perhaps the most famous/infamous of which is the celebrated "Turk", a faux chess automaton created in the 1770's by Wolfgang von Kempelen, a supposedly mechanical device taking on all comers performing at a very high level, except that it was a fraud, a model of a machine with a human inside of it making the decisions, a sort of reverse robot.)
[Image of Torres' chess playing machine from Scientific American Supplement, November 6, 1915, pg 297 (bottom)]
Torres wrote very little, mainly because he didn't like to,4so mostly what is known of his work in print (outside of patent reports) is primarily a secondary source reporting on his efforts. There are three earlier appearances in print on the automaton--in Revista de la Real Academia de ciencias... de Madrid in 1913, La Nature5in 1914, and Asociación Española para el Progreso de las Ciencias, Congreso de Valladolid6, in 1915.
"In 1912 Torres built a robot capable of playing the chess endgame of king and rook against king and defeating a human adversary. This device, perfected in 1920, and the Telekino must be recognized as conceptually related to the calculating machine of Charles Babbage, as Torres Quevedo acknowledged in “Ensayos sobre automática. Su definición. Extensión teórica de sus definiciones” (Revista de la Real Academia de ciencias... de Madrid, 12 [1913], 391–419). His work in this field culminated in an electromechanical calculating machine introduced 26 June 1920, the prototype of which demonstrated that calculations of any kind can be effected by purely mechanical processes. In 1913 Torres Quevedo had established that a machine could proceed by trial and error, in contrast with current belief–“at least when the rules that have to be followed in trial and error are precisely known...”--Dictionary of Scientific Biography, vol 13, pp 431-2.
The first appearance of the chess playing machine to appear in English seems to have been in the Scientific American Supplement, November 6, 1915, pp 296-298 (appearing with seven photographs of inventions three of which are for the chess machine, and four schemtics all of which pertain to the chess machine): "Torres and His Remarkable Automatic Devices, He Would Substitute Machinery for the Human Mind".
His superb creation, which he called "El Ajedrecista"7 ("the Chess Player") was an electromechanical device which pitted an endgame between a King/King-rook, and was fully and completely hand's-free functional. A later version attempted an improvement on this magnificent machine using magnets.
The machine was exhibited and demonstrated in 1951 by Torres' son, Gonzala, showing how the machine worked to the inventor of cybnertics, the big-brained Norbert Wiener. A photograph of the meeting appears in the Eames' great book, The Computer Perspective, though I downloaded this image (below) from Cybnertic Zoo:
ALSO: this fantastic video from youtube of the machine at work:
NOTES:
1. Nice piece on Torres y Quevedo in Wikipedia, here. And another, "Cyber Heroes of the Past", http://wvegter.hivemind.net/abacus/CyberHeroes/Quevedo.htm
2. Brian Randell, Annals of the History of Computing, 4/4, October 1982, on the contributions of Ludgate, Torres, and Bush, with full text here: http://www.cs.ncl.ac.uk/publications/articles/papers/398.pdf
3. _____. "This chess automaton, believed to have been the world's first..." ibid.
4. Torres Quevedo disliked writing–“for me a form of martyrdom,” he called it–and thus his scientific contributions must be traced from the few reports he did write and, especially, from the patents he obtained and the machines he built." --Dictionary of Scientific Biography, volume 13, p 431.
5. Henri Vigneron "Les Automate" La Nature, 1914, found here: http://cyberneticzoo.com/wp-content/uploads/2011/01/Automates-La-Nature-Torres-1914.pdf]
6. "El autómata ajedrecista", from Asociación Española para el Progreso de las Ciencias, Congreso de Valladolid, Vol. 2 (1915). 549-556pp. The scientific bookseller Jeremy Norman has a copy of this rare work offered at his bookshop, here.
7. "El Ajedrecista", here: http://en.wikipedia.org/wiki/El_Ajedrecista#cite_note-3
This is a group of materials from the estate of Ralph Mullendore (see below), an early and integral team member of the electronic computation section of the U.S. Bureau of the Census, who was responsible for the installation and maintenance of the UNIVAC there, at Census. The papers are on their way to a history of computer science section at the library at North Carolina State University where they will hopefully be enjoyed by any and all who have an interest in the early stages of the maintenance and tinkerings on America's first commercial computer. It should be remembered that the hands of the man who wrote all of these notes were the same hands that worked on this monumentally important machine, the first of its kind in existence.
I thought for a moment that the Oxford English Dictionary had been scooped in identifying the earliest usage of the term "super computer" when I saw this newspaper article in the wonderful book by Charles and Ray Eames called A Computer Perspective (Harvard University Press, 1973). The article refers to an unidentified machine at Columbia University in a March 1, 1920 article, which would beat the first use found by the OED in 1927 (see below) by seven years. So, I checked this out a little, and latched onto a reference to Dr. Ben D. Wood as the director of the Statistical Bureau at Columbia, and found that this event didn't happen until June 19291.
And so the Eameses got this one wrong, or the editor did, or the proof reader, or the typesetter. So instead of being 1920, this is at the very least second-half 1929, some two years or so past the first use identified by the OED. It is also possible that this might be 1931/2. Still, this was very early for using the term, and the article is interesting.
More can be found on the machine (which was probably the "Columbia Machine", which as also known as the "Statistical Calculator" and the "Difference Tabulator", and with some affection "the Packard". A very good appraisal of this machine can be found at the Columbia University site for computing history at Columbia, http://www.columbia.edu/cu/computinghistory/packard.html
The Columbia Statistical Bureau, 1932: Source: http://www.columbia.edu/cu/computinghistory/statbureau.jpg
OED: the earliest usages of "super computing":
1927 Army Ordnance Mar. 342/2 The central station instrument, which is a super-computing machine, solves the geometrical and ballistic problems.
1944 Pop. Sci. Monthly Oct. 88/2 Aiken will remain at Harvard after the war as director of a supercomputing laboratory.
OED: the earliest usages of "supercomputer":
1949 Acta Crystallogr.2 344/2 Modern super-computers will soon provide the ideal method, at least for the more complicated structures.
1968 N. Walford tr. O. Johannesson Great Computer iv. 108 Linking together about a hundred computers..and combining them..to form a unit known as the supercomputer.
OED: earliest usages of "computer" as a person:
1613 ‘R. B.’ Yong Mans Gleanings 1, I haue read the truest computer of Times, and the best Arithmetician that euer breathed, and he reduceth thy dayes into a short number.
1646 Sir T. Browne Pseudodoxia Epidemica vi. vi. 289 The Calenders of these computers.
1704 Swift Tale of Tub vii. 140 A very skillful Computer, who hath given a full Demonstration of it from Rules of Arithmetick.
1855 D. Brewster Mem. Life I. Newton (new ed.) II. xviii. 162 To pay the expenses of a computer for reducing his observations.
1893 Publ. Amer. Econ. Assoc.8 23 Some curious computer makes out the cost of electing a President for these United States to be four hundred millions of dollars.
OED: earliest usages of the "computer" as a device:
1869 ‘M. Harland’ Phemie's Temptation i. 12 [Phemie] plunged anew into the column of figures... Her pen was slowly traversing the length of the page, at an elevation of a quarter of an inch above the paper, her eyes following the course of the nib, as if it were the index of a patent computer.
1897 Engineering 22 Jan. 104/2 This was..a computer made by Mr. W. Cox. He described it as of the nature of a circular slide rule.
1915 Chambers's Jrnl. July 478/1 By means of this computer the task is performed mechanically and almost instantaneously.
1941 Nature 14 June 753/2 The telescope drive is of an elaborate nature; the effects of changing refraction, of differential flexure and of errors in the gears are automatically allowed for by a system of ‘computers’.
The UNIVAC (Universal Automatic Computer) was the first commercially-available electronic computer, and the first computer to handle both numeric and alphabetic information, produced by Remington Rand, and came into working service at the Bureau of the Census in 1951. It was designed by John Mauchly and Pres Eckert Jr, who also worked together in the design and construction of the first digital computer, the Electronic Numerical Integrator and Computer (the famous ENIAC). The UNIVAC was a Big Boy: 25x50', with 5,600 tubes, and 18,000 crystal diodes--given its workhorse nature and general success, by 1957 there were 46 UNIVACs in operation.
The following are working block diagrams of sections of the UNIVAC, produced by some sort of early offset process in 1950, slightly before the computer came to its working life. I have a number of sections of the computer represented in this way, but not the entire machine--but what is here may be of interest to historians of computer science.
[Supervisory Contro Panel]
Present in the collection:
1. The Supervisory Control Panel (2 sheets of 3, including center and left third, both undated but assumed to be 1950 like all of the others. [Shown above]
2. Input-Output controls. 3 sheets of 3. (left, middle and right thirds), dated 8/10/50 and 8/7/50.
The moment that I saw this image1 of (what I think is) the 8086 processor I thought of its great visual similarities to one of the greatest engineering works of the 16th century, so much so that with a little imagination, the older work seems a pentimento of the newer. This microprocessor--which in 1979 was a vast leap forward in development--looks like an architectural/engineering plan: large objects being hauled into place by legions of workers with wooden cranes, giant winches and mammoth rope, a fantastical display of concerted effort on a gargantuan scale. It is, or was, in fact an enormous leap in hardware engineering, a micro-mammoth advancement.
This older, pentimento image is a plan for moving of the great 500,000-pound Egyptian obelisk (carved during the reign of Nebkaure Amenemhet II, 1992-1985 BCE, and originally standing in the Temple of the Sun at Heliopolis) at the Vatican.
The engraving appearedinDomenico Fontana's masterpiece Della trasporatione dell’obelisco Vaticano…(published in Rome by Bassa in 1590) and illustrated one of the greatest engineering feats of the Renaissance. Moving this enormous and relatively delicate object (from the Circus Nero, where it was placed by the emperor Caligula in 37 ACE, to St. Peter’s Piazza del Popolo, 50 years or so before it would be more enveloped by Bernini’s flying wings) took years of (very) careful planning and months of motion and movement, not to mention an extra month to get everything into place and slowly raise the obelisk into its final position. Fontana had to be cautious and correct, and he was, performing a not-so-minor miracle of pre-industrial magic to move the priceless 250-ton iconic relic and place it perfectly down in the center of Christianity. That must have been one hot Roman summer, especially for Fontana.
I can easily see the similarities in Fontana's work and that of Intel. Here, in a photograph of the 16k bit random access memory chip (via Mostek Corporation) I can see a vast palace at the top of the picture, with a long, columned entrance with manicured gardens on either side. The image offers an elevation and a plan--that is, the top and bottom images of the buildings are seen in a deeply oblique view, while the central part of the image is a straight-out plan. At least that's what I see, its imaginative possibilities more appealing than the physical realities (though that's where the extraordinary value is/was).
Notes:
1. J.H. Westcott, "The Application of Microprocessors". In Proceedings of the Royal Society of London, A, 367, 451-484.
Alfred Barlow wrote a splendid history of weaving1 in 1878, and in that book's later pages--and I suspect much overcome with the recent developments in the electrical field (not the least of which were the newly-invented light bulb and telephone)--Mr. Barlow waxes considerably on the application of electricity to the Jacquard process.
He writes,"It is scarcely to be wondered at that men acquainted with the application of electricity to telegraphy and other purposes should have believed it equally serviceable in some of the operations of weaving. As it might be expected, the Jacquard apparatus seemed to offer and excellent opportunity for the needles [reading the holes ion the loom punch cards] to be worked, not by the direct pressure of a card, but by the connecxion of a series of electro-magnets."
Amd then this bombshell: "By this means it was believed that paper may be substituted fir the cards, and the magnets might operate upon the needles through the perforations in the paper, or by passing a current of electricity through the medium of a metallic conducting surface on a sheet of paper or cloth representing the design to be woven, and thereby acting without the use or need of perforations." (Pages 424-5)
It was certainly a capital idea. Barlow may have been referencing the work of Alexander Bain and his punched-tape telegraph of 1841, though he does not mention him specifically. Barlow does mention several inventors from the 1850's who managed to make improvements with electricity in Jacquard-style machines, though none with the great effectiveness which he described here. The real, great advancement in computation waited for quite some time, even beyond the great innovations of Herman Hollerith (who began his tabulating successes in the 1880's, coming into international recognition with his work on the 1890 U.S. Census). But Barlow's imagination here is quite full, and just a little beyond his time.
Footnotes:
1. BARLOW, Alfred: The History and Principles of Weaving by Hand and by Power. London; Sampson & Low, 1878, xii, 443, iv pp, illustrated throughout with text illustrations.
I've found an unusual, informal document; a rough, manuscript outline for a consideration on the computing capacities at Fort Detrick, in Frederick Maryland. Fort Detrick is a Medical Command, and was the seat of research for the United States' biological weapons program (1943–69, which is today a part of the U.S. biological defense system), and is today a very large facility (on 1,200 acres) devoted to biomedical research. (It houses the "U.S. Army Medical Research and Materiel Command (USAMRMC) and its bio-defense agency, the U.S. Army Medical Research Institute of Infectious Diseases (USAMRIID)", as well as medical materiel management and global medical communications.)
The document ("Computer Requirements/Statistics Branch/Fort Detrick Maryland") is handwritten by the former chief statistician around 1957, and in five tight pages outlines the basic necessities for the needs of computing facilities at the fort. The document mentions two machines in particular, the "409-2" (with is the Remington Rand 409-2, an ENIAC style machine, produced in 1952) and the UNIVAC 120 (which is a release of the 409-2, done in 1953).
I'm sharing this little stash of computer memorabilia (dated from 1949-1954) because in its age it is so, well, "fresh"and new and uncomplicated--and that's because it was, relative to what we experience now. In 1954 there about 10,000 people working in the field of computing; 61 years later the growth in involvement of people working in the field is perhaps three orders of magnitude--the growth in the sheer volume of printed and digitally-circulated material is probably somewhere on the order of the differences between post-Gutenberg European printing and the printing industry in the year 1990. The changes are spectacular, and they seem to be so much more appreciable when one looks at the foundation efforts from the early years, some of which can be seen and represented in documents like those that follow.
First up is this computer-printed list of attendees for "Dinner Honoring Seminar on Computation, IBM Homestead, December 8, 1949. It is a hand-stapled, four-page list with some big names in the history of computing including Brillouin, Eckert, Grosch, Hamming, Tukey, Yowell, and others.
The next document is the draft consideration for the Constitution of the ACM and is a 3-page cover later dated July 1953 regarding the voting on the new Constitution and also on officers of the ACM. It also details printing costs and distribution of the Proceedings, and other associated housekeeping, including a 3-page offset-printed ballot for voting on the Constitution.
The small $25 miracle/godsend to number crunchers everywhere was this small, nine-place, sliding-digit chain-adder mechanical calculator, set in nickel-plated metal, and which we see in this fantastic and half-bizarre ad in Illustrirte Zeitung for June 1922. The instrument was about eight inches long and came in its owns hard case, and was a very good instrument for the lowish-end market. The add of course is fantastic. ("Die Erloesung" could I guess be transliterated as "Deliverance!" from the drudgery of making calculations by hand.)
Earlier in this blog I posted a magnificent illustration of the fabulous new comptometer adding/calculating machine, here. I wanted to include this unusually designed ad for the machine somewhere on the blog before I lost it (again), and so here it is:
In my experience the use of diagonal black-and-white lines like this for illustration or advertisements was really very uncommon.